|
ZWCAD MFG
|
ZWCAD MFG ซอฟต์แวร์ด้านการเขียนเเบบ 2 มิติ สำหรับงานออกแบบเครื่องกลด้วยเครื่องมือเฉพาะระดับมืออาชีพ และลิขสิทธิ์แบบซื้อขาด
|
|
Solutions CAD 2D ขั้นสูงที่ถูกพัฒนาต่อยอดจาก ZWCAD เพื่อตอบโจทย์ความต้องการของวิศวกรเครื่องกลและนักออกแบบในอุตสาหกรรมการผลิตโดยเฉพาะ มาพร้อมกับชิ้นส่วนมาตรฐาน (Standard Parts Library) และเครื่องมือช่วยออกแบบอัตโนมัติที่จะช่วยลดเวลาการทำงานที่ซ้ำซ้อน และเพิ่มประสิทธิภาพการผลิตอย่างสูงสุด |

![]() |
![]() |
||
ชิ้นส่วนมาตรฐาน (Extensive Standard Parts Library)
|
ชิ้นส่วนมาตรฐานสำหรับเเม่พิมพ์โลหะเเละพลาสติd (Mole & Die Library)
|
![]() |
|
||
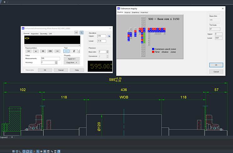
Power Dimension
|
Frame Template
|
|
|
|
สัญลักษณ์ทางวิศวกรรมที่ครบครัน (Mechanical Symbols)
|
ระบบจัดการ BOM และ Balloon อัจฉริยะ
|
การทำงานร่วมกันอย่างไร้รอยต่อ (Seamless Compatibility)รองรับไฟล์ .DWG, .DXF และสามารถเปิดไฟล์จากโปรแกรม Mechanical CAD อื่นๆ ได้อย่างสมบูรณ์แบบ ทำให้คุณทำงานร่วมกับคู่ค้าและลูกค้าได้โดยไม่ต้องกังวลเรื่องไฟล์ผิดเพี้ยน |
![]() |
เปรียบเทียบการทำงาน ZWCAD MFG กับ ZWCADได้ทำการเปรียบเทียบอย่างครอบคลุมระหว่าง ZWCAD และ ZWCAD MFGโดยใช้ตัวอย่างในการทำงานออกแบบทั่วไปตั้งแต่การร่างแบบไปจนถึงการลงรายละเอียด ผลลัพธ์พบว่า ZWCAD MFG ช่วยเพิ่มประสิทธิภาพการทำงานได้อย่างมากถึง 51% เมื่อเทียบกับ ZWCAD |
|

TOP